产品快速通道
当前栏目名
您当前的位置:boyu·博鱼最新买球网 > 产品中心 > 电机(马达)展厅紫光立式铝壳三相马达

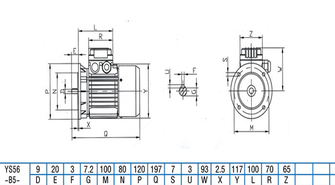
- 产品参数:
- 产品型号: YS
- 额定功率:0.06KW-7.5KW
- 电压:380V.220V
- 转速/极数:2级,4级,6极
- 安装方式:立式
详细参数
紫光立式铝壳三相马达结构物点:
--从0.25KW-3KW的功率等级覆盖范围,4种机座规格.
--电机壳体采用一体铝合金压铸,增强散热筋设计,使机组具备更强的冷却能力.
--IP54的防护等级外壳封装,防尘、防水.能在恶劣的环境下维持良好的运行.
--提供B级、F级绝缘耐热等级制造,适用全天24小时满负荷运行.
--精确的动平衡校正及专用的低噪声轴承 ,使电机运行更加平稳、静音.
--制动器采用无石棉、耐磨损磨擦材料,提供干式磨擦制动扭距.
--可配置直接工作于交流电源的交流制动器,无需直流转换装置.联接更安全可靠;制动更强劲迅速.
--制动响应快、制动频率高.
--预设置的出轴密封装置,与变速机、减速机配套联接时,密封更可靠安全.
--每型产品均配置手动释放手柄,调整安装方便.
--制动片与轴承采用钢键齿联接,能承受制动过程产生的强大冲击力.
--符合IEC尺寸标准及IM国际安装结构方式可任意选用安装方式.主要材料:
-外壳:电机外壳为铝合金,制动器壳体为铸铁.
-轴:调质处理的40Cr钢.
-电磁线:聚酯QZ-2;聚酰亚胺QY-2.
-硅钢片:DR490-510.
-轴承:C&U;NSK;NTN;SKF.涂漆:
-铝合金表面抛丸后进行防腐处理,铝合金本色.
-钢铁件表面兰色丙烯酸烤漆.统一标准:
所有通用电机执行明确统一的制作标准:
--电机功率等级及尺寸:GB4826-84;GB4772.2-84;IEC72
--电气规范:GB755-87;IEC34-1
--结构及安装方式:GB997-81;IEC34-7
--外壳防护等级:GB4942.1-85;IEC34-5
--冷却方式:GB/T1993-93;IEC34-6此电机为FY61系列交流罩极电机。电压为120或220V,频率为50-60HZ,罩极电机矽钢片厚可选用10、16、20、25、30、35mm等减速箱外型尺寸为70*120*H24mm,最大减速比可以做到1:3400,最大减速比时,齿轮可所受负荷为80NM同时此减速箱可以配RS-555和RS-775直流电机。减速电机输出轴为ф9.5或ф12.7mm主要市场
超声波清洗机工程,陶瓷机械,电镀机械













粤ICP备11012611号
