产品快速通道
当前栏目名
您当前的位置:boyu·博鱼最新买球网 > 产品中心 > 电机(马达)展厅JL立式节能铝壳电机

- 产品参数:
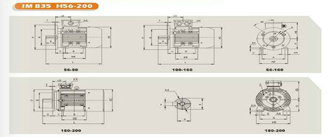
- 产品型号: JL立式节能铝壳电机
- 额定功率:0.2kw-56kw
- 电压:220V-380V
- 转速/极数:1300
- 安装方式:立式
详细参数
JL系列三相电动机,采用时基于IEC标准及欧洲等国家电机标准更新设计的电机,采用铝合金外壳,防护等级IP55,F极绝缘,节能效果好,而且起动转矩大、噪声低、结构合理、外型美观、使用方便等优点
JL系列三相异步电动机安装尺寸完全等同于国内的Y、Y2电机安装尺寸,广泛应用于压缩机、风机、水泵、减速机等各种通用机械设备上,也可以在石油化工、铜铝等环境比较恶劣的场所应用。
JL系列铝壳产品是公司最新自行研制开发的产品,完全按IEC标准设计。
JL系列铝壳电机采取全封闭、外扇冷式、鼠笼型结构,具有设计新颖,造型美观、重量轻、噪声低、效率转矩高等优点。电机机壳、端盖、接线盒全部采用铝合金压力铸造,结构紧凑,电机底脚可拆卸。安装方式可达到顶出线,右出线,左出线,立式等多种方式。使用维护方便,与同类产品相比,有独特的风格。整机采用F级绝缘,且按国际惯例的绝缘结构设计,防护等级为IP55,从而大大提高了整机的安全可靠性,达到了国际同类产品的先进水平。
JI系列电机可广泛用于比较精密的机床,减速机,风机等轻工,食品加工机械及传动设备。
使用条件:
环境空气温度:-15℃≤θ≤40℃;
海 拔:不超过1000米;
电 压:380V,400V,415V.
频 率:50HZ,60HZ.
接 法:3KW及以下规格为Y接法,4KW及以上规格为Δ接法;
工作方法:连续(S1);
冷却方法:ICO141。













粤ICP备11012611号
