产品快速通道
当前栏目名
您当前的位置:boyu·博鱼最新买球网 > 产品中心 > 鼓风机展厅EHS729/829

- 产品参数:
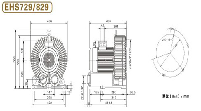
- 产品型号: EHS729/829
- 额定功率:null
- 电压:null
- 风量:null
- 风压:null
- 转速/极数:null
- 安装方式:null
详细参数
EHS729/829 离心式高压鼓风机特点:压力高 风量大 无油气 免保养 寿命长 低震动,高风压 体积小,重量轻 低噪音,新设计规格:三相交流电 50HZ/60HZ 最大风量:5.2立方米/6.2立方米功率:2200W/2600W 电压:200-240V/220-240V 346-415V/380-480V 电流:6.7A/10.6A 5.6A/6.1A
1、安装容易:升鸿高压风机配备齐全,可随时安装与使用,供压缩空气或用于抽真空,也可任意安装于水平或垂直的方向。
2、无油无污染:叶轮旋转时,不与任何其它零部件接触,免润滑,因此可保证风机无污染。
3、可靠性强:
a、与其他品牌做比较,升鸿高压风机在高压力的范围堪称一枝独秀,因此当使用情况变化时,机器仍能安全运转;
b、除了叶轮之外,高压鼓风机没有其他动作,因此可靠性高几乎免维修。
4、低噪音: 低噪音马达直接传动,再加上一体式的消音设施,因此噪音极低。
5、高品质:高精密的加工、检测设备及技术,使得所有零件均能达到最高品质要求,运用标准IP55 F级与H级绝缘高效率马达,故障极少,马达与鼓风机之间有轴承分离,预防异物进入,为确保风机品质,每一台风机在出厂前均经过严格的测试。






粤ICP备11012611号
