产品快速通道
当前栏目名
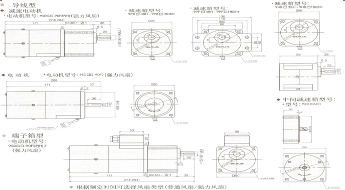
您当前的位置:boyu·博鱼最新买球网 > 产品中心 > 小电机展厅可逆调速电动机

- 产品参数:
- 产品型号: FX1000型调试器
- 额定功率:15W-120W
- 电压:110V/220V/380V
- 转速/极数:4极
- 安装方式:null
详细参数
- 利用延长线连接调速电机
使用;
- FX1000: 调速钮一体型,
直排式接线板
(用公母插座与电机连接);
- DSK: 调速钮一体型,
圆盘插座式接线板
(圆盘插座与电机连接);
- DSKS: 调速钮分体型,
圆盘插座式接线板
(圆盘插座与电机连接)。



使用;
- FX1000: 调速钮一体型,
直排式接线板
(用公母插座与电机连接);
- DSK: 调速钮一体型,
圆盘插座式接线板
(圆盘插座与电机连接);
- DSKS: 调速钮分体型,
圆盘插座式接线板
(圆盘插座与电机连接)。








粤ICP备11012611号
