产品快速通道
当前栏目名
您当前的位置:boyu·博鱼最新买球网 > 产品中心 > 小电机展厅离合制动电机40W

- 产品参数:
- 产品型号: null
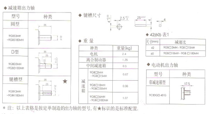
- 额定功率:15W-120W
- 电压:110V/220V/380V
- 转速/极数:4极
- 安装方式:null
详细参数
1、低噪音设计:使用高精度的螺旋齿轮并配合油封、O型环的密封齿轮箱、厂内测量证明比起以往的产品噪音降低10-15分贝。
2、小型高功率:在提高齿轮模件、材质、轴承强度的同时,取消输出。本业界首次研制成功截面尺寸90mm上的最大容许轴转矩为300kg.cm(S型)。
3、丰富的型号:截面尺寸范围由42mm(1W)至90mm(90W),马达的种率也有感应式、可逆式、三相、变速及附带电磁制动器马达等型号丰富的机种。
4、耐用寿命长、长寿命:齿轮箱采用油封、O型环等先进密封结构设计,此外,采用润滑脂浴润滑方式,防止无润脂状态,大大提高了使用寿命。
5、分别出售马达和齿轮头:可以分别销售马达和齿轮头,从而使多种马达和齿轮头能够任意配合使用。
注:本电机使用范围广泛,功率齐全,定速运行。本电机亦可反方向运行,但其必须在电机完全停止运行后才能进行下一个动作,即可继续朝一个方向运行,也可作反方向运行;所以,如果你的产品不需要电机在运行完一个动作后很快或瞬间进行反方向运行的话,请选择本款电机。








粤ICP备11012611号
