产品快速通道
当前栏目名
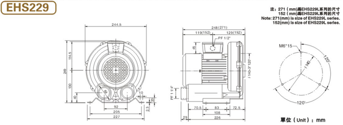
您当前的位置:boyu·博鱼最新买球网 > 产品中心 > 鼓风机展厅EHS229

- 产品参数:
- 产品型号: EHS229
- 额定功率:0.4KW
- 电压:220v/415v
- 风量:1.4
- 风压:110/130
- 转速/极数:null
- 安装方式:null
详细参数
单段鼓风机
EHS229特点:安装容易,风量大,压力高,低噪音,作动原理,无油无污染,寿命长。它主要用于:切纸机,燃烧降氧机,卷烟滤嘴成型机,电镀槽液搅拌,雾化乾燥机,水处理爆气,水产,丝网印刷机,照相制版机,注塑机自动上料烘干机,液体灌装机,粉末灌装机,电焊设备,电影机械,纸张运送,清洁用途,空气除尖,干瓶,气体传送,送料,收集等方面功率:0.18KW 0.4KW 0.75KW 1.1KW 1.75KW 2.2KW 3.7KW 4KW 5.5KW 7.5KW 9KW 13KW 20KW 风压:50mbar~650mbar 风量:40立方/小时~1134立方/小时(为方便选用不同规格,单段式/双段式均有货提供)频率:50Hz/60Hz 电压:110V~615V(万国电压,各国均可使用。如需特殊电压,可按要求定做)释压阀 RV-01 RV-02(配套使用)过滤器 MF8 MF10 MF12 MF16 MF-20 MF-32 本公司有专业的相关技术工程师,欢迎广大客户来电来函咨询相关业务--风机,高压风机,鼓风机,升鸿高压风机,升鸿高压鼓风机,瑞昶风机,旋涡气泵,旋涡风机,吸风泵,吸料风机,真空泵,侧流风机,涡流泵。1、型号齐全-低震动-体积小-重量轻-低噪音-新设计-风量大-压力高-寿命长-保养容易-
铝合金外壳外-观优美-吹吸双功能-高品质-性能稳定
高壓風機暢銷全球 每台鼓風機在出廠前均經過嚴格測試。
2、電壓:萬國電壓50HZ/60HZ(220V-380V-415V)特殊电压可订做!
3、功率:0.18KW-22KW 型号EHS229






粤ICP备11012611号
