产品快速通道
当前栏目名
您当前的位置:boyu·博鱼最新买球网 > 产品中心 > 电机(马达)展厅群策卧式三相普通电机

- 产品参数:
- 产品型号: HSW
- 额定功率:1/2HP-20HP
- 电压:380V.220V
- 转速/极数:4极.6极
- 安装方式:卧式
详细参数
我公司专业代理台湾群策品牌系列的油压马达,其产品质量更居市场领先地位。此机型安装方式为卧式,如需要立式安装方式,可考虑选择:群策立式三相普通马达。
群策卧式三相普通电机特点:
1:油压马达有内轴形式,可与叶片泵,齿轮泵,润滑泵等直接相配,紧密配合,无须联轴器。易装配,节省空间和成本 。
2:马达与泵的配合面加工精度高,与泵同轴相配,无须专业人士安装,运转平 稳,噪音低,维修方便。
3:可保证系统:省电、小型化、低成本。
4:马力:1/4-20HP 4-6P
5:油压直结式马达 分卧式 立式
标准出轴式马达 分卧式 立式
群策卧式三相普通电机(//oyaqtdv.cn/)是各类振动机械的激振源。广泛应用于电力 、建材、粮食、煤炭、矿山、冶金、等行业的振动给料机,振动输送机、振动选矿机、及料仓的振动防堵塞机构等。群策卧式三相普通电机的特点为:激振力与出力配合得当 ,激振力大;机体重量轻;体积小,机械噪声低,采用强阻型振动,具有稳定的振幅,激振力受电源电压波动的影响小;全封闭结构 ,可在任何粉尘潮湿条件下工作,可无级调整激振力,维护保养简单。
1.激振力与出力配合得当:激振力大;机体重量轻;体积小;机械噪音低。
2.采用强阻型振动,具有稳定的振幅。
3.振动频率可以通过改变极致或调整转速的办法进行大范围的调整并且能按照不同的用途
任意选择振动频率和振幅。
4.激振力受电源电压波动的影响小。
5.全封闭结构,可在任何无防爆要求的粉尘条件下工作。
6.可根据振动电机的安装方式改变激振力的方向。
7.只须调整偏心块的夹角,就可无级调整激振力。
8.维护保养简单。
9规格齐全,能满足各共振动机械的工作需要。
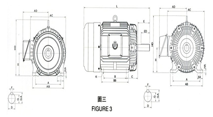
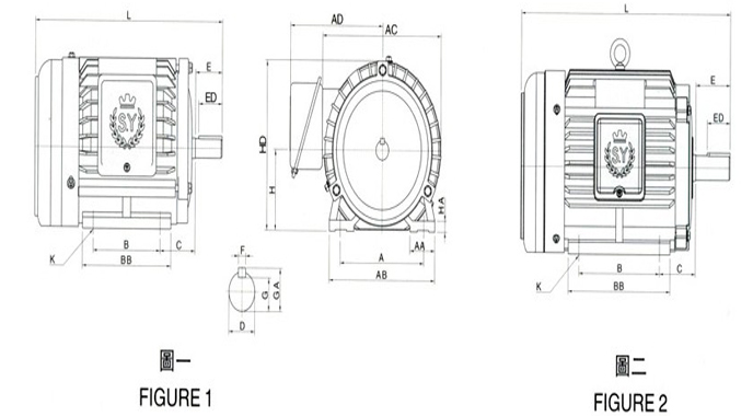
群策卧式三相普通电机图纸及参数:






粤ICP备11012611号
